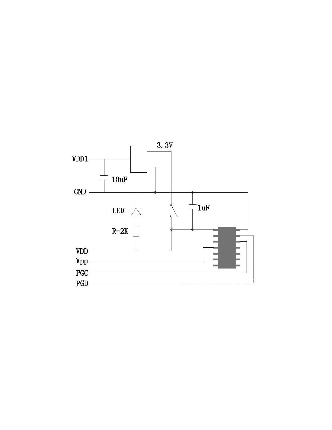
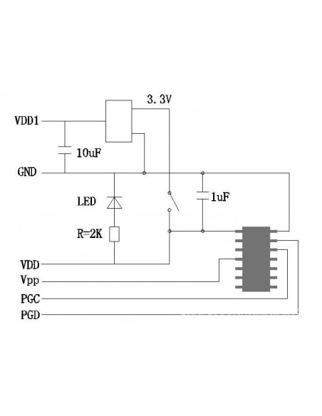
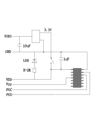
PIC16F609 base board
PIC16F609 base board

PIC16F609 base board

Out-of-Stock
$0.00

 

https://ww1.microchip.com/downloads/en/DeviceDoc/41302A.pdf

No reviews
Product added to wishlist
Product added to compare.

iqitcookielaw - module, put here your own cookie law text