OLED RTC EEPROM MISC Pack Board IIC...
OLED RTC EEPROM MISC Pack Board IIC...
OLED RTC EEPROM MISC Pack Board IIC...

OLED RTC EEPROM MISC Pack Board IIC Utility

Out-of-Stock
$0.00

 
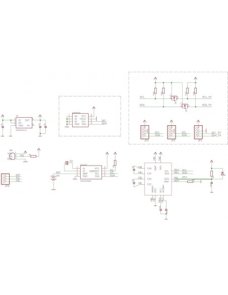
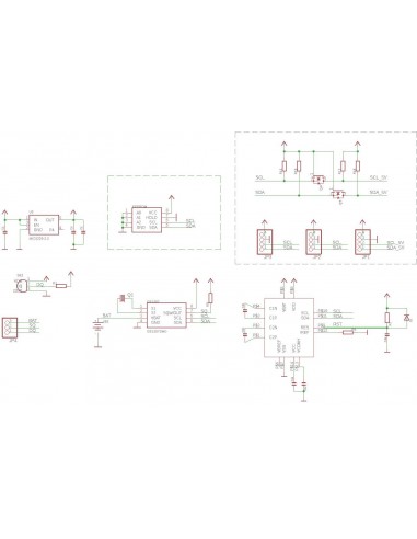
  • n board 0.91” OLED, 128×32 pixels, configure as IIC interface, drive by SSD1306. Color Blue.
  • On board AT24C02 small size EEPROM (256 bytes), can save a few data for user
  • On board DS1307 RTC clock, with backup battery holder.
  • On board logic shifter and 5V-3.3V regulator, can use 5V logic and power supply, or 3V group logic and power supply.
  • Reserved DS18B20 temperature sensor socket, output to DQ pin.
  • Two groups of 3.3V, GND, SCL, SDA IIC interface, cascadable design, can connect as many IIC devices as you want.
  • Interface:
    • two groups pins: 3.3V GND, SCL, SDA (3.3V logic)
    • DQ, SQ, BAT pin: DS18B20 one wire output pin DQ, DS1307 time output pin SQ, DS1307 backup battery pin BAT.
    • 5V GND, SCL SDA (5V logic). LDO supply up to 500mA/16V.
  • Read write EEPROM, print data to OLED demo sketch here.   (https://github.com/Edragon/Arduino/tree/master/arduino-env/Sketchbook/Interface/IIC-MISC/OLED-12832)
No reviews
Product added to wishlist
Product added to compare.

iqitcookielaw - module, put here your own cookie law text